网站首页
关于我们
公司介绍
企业文化
荣誉资质
产品中心
艾默生流量产品
费希尔阀门产品
横河流量计系列产品
横河EJA变送器产品
威乐水泵产品
四大品牌
艾默生
费希尔
横河
威乐
新闻中心
服务承诺
联系我们
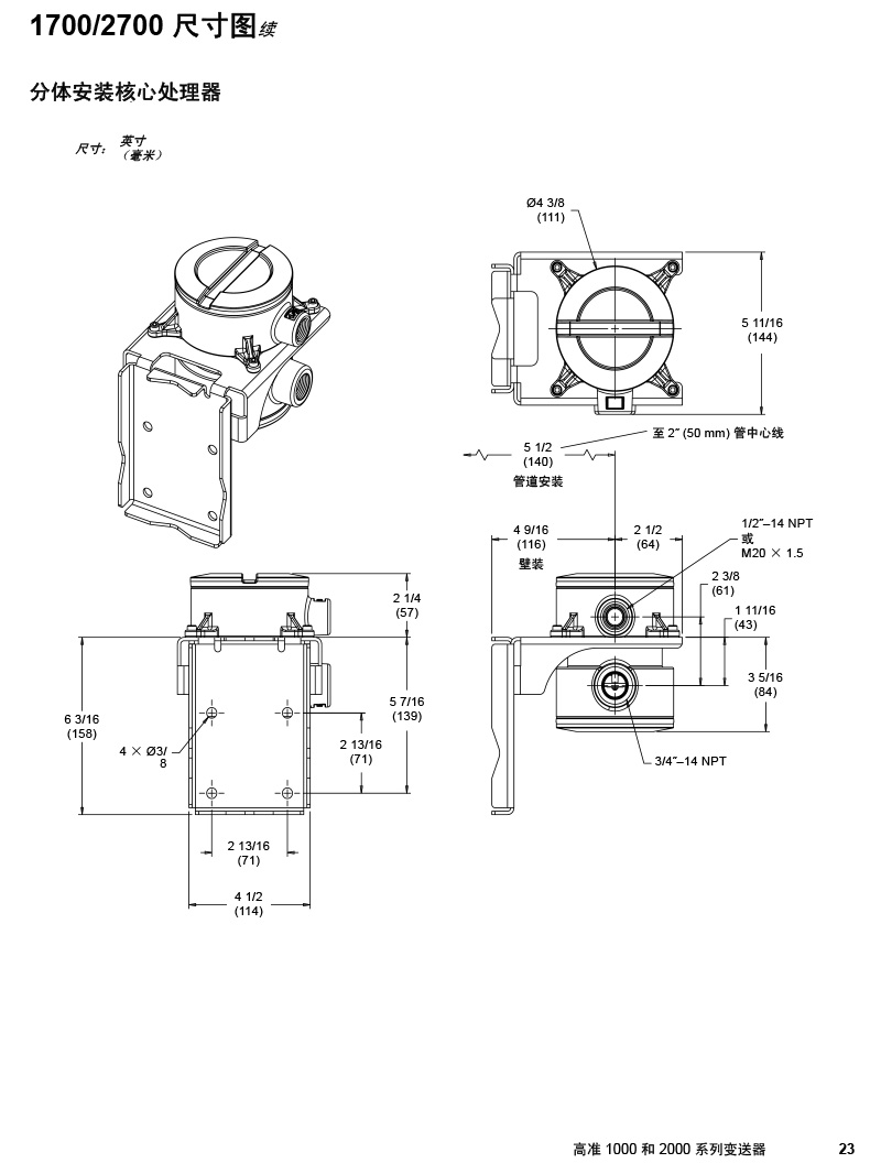
名称:高准 (Micro Motion®) 1000 和 2000 系列变送器
型号:高准 (Micro Motion®) 1000 和 2000 系列
品牌:艾默生流量产品
咨询电话:0538-5822222
产品简介
上一篇:
变频泵
下一篇:
高准 (Micro Motion®) 音叉粘度计
13854895066
tajajd@163.com