
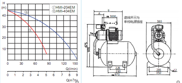
名称:不锈钢自动增压泵HMI-404EM
型号:HMI-404EM
品牌:威乐水泵产品
咨询电话:0538-5822222
型号:HMI-404EM
品牌:威乐水泵产品
咨询电话:0538-5822222
产品简介
◆·通过压力开关自动运行,灵敏可靠,寿命长,性能稳定。◆·不锈钢水利部件。
◆·家庭,别 墅,会馆,中小型建筑供水增压。
◆·洗浴热水增压。
◆·泵体:不锈钢。
◆·叶轮:不锈钢。
◆·泵轴:不锈钢。
◆·机封:陶瓷+石墨。
◆·耐温:0-70°C


上一篇:自吸泵PW-750E
